Photoconductive emitter/detector antenna for 800nm wavelength lasers


Overview

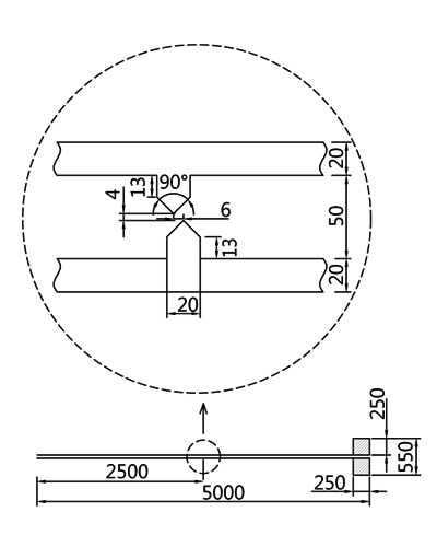
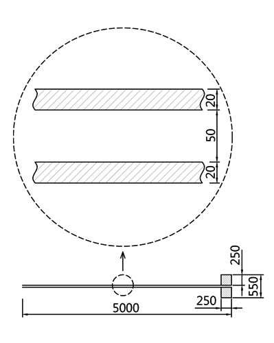
THz emitter/detector consists of a micro strip antenna integrated with photoconductor. Low temperature grown GaAs (LT-GaAs) is used as photoconductor. Total GaAs substrate thickness is about 350 µm, dimensions of single antenna substrate is 1.5x5 mm. Antenna is formed using AuGeNi metallization. Two types of emitter antenna is available (Fig. 1 and Fig. 2).

Fig 1. Parallel strip antenna. All dimensions in µm.
Fig 2. 7µm gap, parallel strip antenna. All dimensions in µm.
Fig 3. TERAVIL THz emitter radiated power dependance on bias voltage. Measured using TYDEX Optoacustic detector GC-1P (Gollay Cell). Hyper-hemispherical silicon lens was used to increase radiation coupling into free space.
Fig 4. FFT spectrum detected using TERAVIL LTG-GaAs THz antenna